Proyecto
X
Primer
Avance
El trebuchet era la arma dominante
del sitio en Europa de 850AD a 1350AD, durando 100 años después de la
introducción de la pólvora. En Inglaterra fue llamado un Ingenium, y los técnicos
que trabajaron en la arma eran Ingeniators (ingenieros). Versiones más grandes
podían lanzar piedras grandes, vacas o aún a negociadores evitados. La carne de
la descomposición era también popular. El trebuchet funciona enjaezando la
energía potencial de un peso suspendido, y demuestra muchos principales
físicos. Hay variables múltiples en el diseño que se puede ajustar para
optimizar la gama y lanzar-peso. Este modelo ha alcanzado un radio de acción de
120 pies con una roca de 7 libras, hasta ahora. el "lanzamiento" se
ha convertido en deporte de un caballero en Tejas, en donde existe una sociedad
de lanzamiento activa. El trabajo se está terminando en "Thor", un
Trebuchet con un brazo que lanza 100' usando un peso de 55.000 libras. El
diseño debe permitir el lanzamiento de '57 Buicks. En días anteriores algunos
trebuchets de Tejas han lanzado el ' astro-aguanauts
Es el sucesor de la catapulta;
podría tomar rocas y proyectiles más pesados, y los arroja más lejos, con más
exactitud.
Trabaja cuando cae un gran peso que
esta unido al extremo corto de una larga palanca-brazo. El extremo largo la
palanca se levanta con una velocidad considerable, que tira de una honda que
contiene el proyectil. La honda aumenta la longitud útil del brazo de la palanca,
agregando aún más velocidad al proyectil final antes de que la honda lo lance.
Es necesario precisar que las
"catapultas" se pueden dividir en dos grupos, los que tiran a flechas
y los que lanzan piedras.
El ballista
se usa con arco, un tiro que era el más eficaz cuando estaba encendido en un
ángulo bajo. Si fuera encendido en un ángulo más alto, viajaría más lejos pero
también negociaría muchos de su velocidad horizontal (qué los hace peligrosos
puesto que su punto agudo estaba en el frente) para la velocidad y la altura
verticales.
Los lanzadores de piedra, tales como el onager, tenían un alcance efectivo más grande puesto que
los proyectiles eran mucho más pesados y podrían estropear así no importa cómo
landed. él era de esta línea que vino el trebuchet.
Los ingenieros romanos sabían que el Ballista
era muy complicado y costoso, y necesitaron un diseño que era simple y barato.
Así pues, en 50 a.D., el onager fue creado. Debido a ella está la acción cuando
fue encendida, él del contragolpe fue llamada después de que un burro salvaje
que golpeó detrás piedras con el pie cuando fue atacada. Un escritor romano,
llamado Ammianus Marcellius, dio áspero dio la explicación siguiente: "el
marco de los onager se hace fuera de dos vigas de roble, que curvan en chepas.
En el centro tienen agujeros absolutamente grandes en ellos, en los cuales se
estiran y se tuercen las cuerdas fuertes del tendón. Un brazo largo entonces se
inserta entre el paquete de la cuerda, en él es extremo que tiene un perno y
una bolsa. Pulsa en un almacenador intermediario enorme con un saco relleno con
desperdicio fino y asegurado por el atascamiento apretado. Cuando viene
combatir, una piedra redonda (a menudo bolas de la arcilla con el fuego griego
en ellos, que estallan en impacto y la explosión en las llamas) se pone en la
bolsa y el brazo es winched abajo. Entonces, las huelgas artilleryman
principales el perno con un martillo, y con un soplo grande, la piedra se
lanzan hacia ella son blanco." En mi onager, las vigas laterales no tienen
chepas, ellas son apenas rectas que trabaje muy bien. Las dimensiones overal no
son ese grandes, él tienen 120 centímetros de largo, 70 centímetros de ancho y
100 centímetros de alto. ¡Los onagers romanos eran mucho más grandes, normal estarían
parados sobre 2.5 metros de alto! El nombre del onager es interesante. Cuando
primero fue inventado, tenía ya dos nombres, el scorpion debido a el perno del
metal que se pegaba fuera del extremo del brazo, y onager porque golpeó con el
pie detrás cuando fue encendido. Durante las edades oscuras, casi todo el
conocimiento de las armas del sitio sintió bien a perdido, pero al francés en
que tiempo "reinventado" el onager y nombrado lo el mangonneau, que
viene del manganon griego de la palabra. En Inglaterra, se conocía como
mangonel, un nombre que todavía se utiliza hoy. Otra gente grande del error
hace cuando ella piensa alrededor o dibuja un onager, es que tiene una clase de
cuchara en el extremo del brazo en el cual se pone la bola. Los romanos sabían que
una honda funcionaría mucho mejor que eso porque amplió el brazo y dio a
proyectil más fuerza.

Algunos diseños
|
|
|
|
|
|
|
|
|
|
|
|
Los diseños presentados fueron recopilados de intenet, para ver realmente como eran las catapultas y sacar un mejor diseño de acuerdo a nuestros criterios y conocimientos.
Los cuales nos basamos no en el resorte para obtener el impulso para lanzar cualquier clase de peso si no que utilizaremos el peso porque con los resortes que corre el riesgo que los resortes o ligas pierdan sus propiedades de elasticidad.
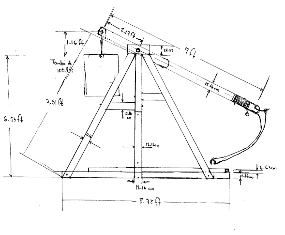
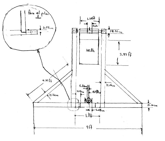
Funcionamiento de nuestro prototipo
A continuación mostramos el tipo de funcionamiento que utilizará nuestro prototipo, mostrándolo con ejemplares ya realizados. Es de catapulta tipo Warwolf.

Como se vé, utiliza su funcionamiento está basado en base a la acción de caída de un peso sobre cierta altura para impulsar una palanca.
La caja donde se encuentra la energía potencial, se llena de arena para que ésta funcione como el peso de dicho contenedor para mover la palanca. Si se añade más peso, incrementará la distancia de desplazamiento aéreo del proyectil a utilizar, es decir, el peso es proporcional a la distancia de desplazamiento.
La distribución del largo del brazo, se encuentra dividido por un eje, en el cual dicho componente es el soporte de todo el brazo, por lo cual está dividido en brazo largo y corto, su proporción en base a la velocidad es de 5 a 1, esto quiere decir, que si el brazo largo es de 5 pies y el brazo corto de 1, la velocidad del extremo del brazo largo es 5 veces más que el del corto.


